通过了ISO9001质量管理体系认证和CE产品安全认证,I类及II类防爆产品认证,并拥有多项科技成果
拥有高精度CNC数控机群、全自动绕线机、机器人铜焊机、PLC控制的自动BMC塑料封装机、电磁铁静动态特性智能测试系统、磁芯管耐油压试验台、磁芯管脉冲疲劳试验台等各种现代化的加工制造设备和检测仪器
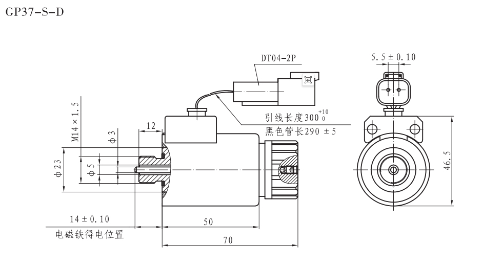
本系列产品应用于直流电液比例控制系统,与电子比例控制器配套使用,可实现对相应的电比例变量泵,直动式或先导式比例调速阀的精确控制。常应用于比例液压泵、液压马达、混凝土泵车、挖掘机、注塑机等多种机械设备中,电磁线圈绝缘等级H级,防护等级可达IP67、IP69K,可适用于工程机械等工况。
| 型号 | 额定电流(A) | 常态电阻(Ω) | 额定吸力(N) | 额定行程(mm) | 全行程(mm) | 力滞环(%) | 电流滞环(%) | 重复精度(%) | 承受静态油压(Mpa) | 工作油温(℃) | 外壳防护等级 | 电源连接方式 | 磁芯管外径(mm) |
|---|---|---|---|---|---|---|---|---|---|---|---|---|---|
| GP37-S-D/E/H/K |
0.6 0.9 1.2 |
22 10 5.5 |
40 |
2 |
2+0.7 |
≤4 |
≤3 |
≤1 |
21 |
-20~+70 |
IP65/IP67 |
德驰式DT 插头式DIN 安普式AMP |
φ19 |
| GP37-S-A |
2 |
2.7 |
45 |
2.2 |
4.5 |
≤4 |
≤3 |
≤1 |
21 |
-20~+70 |
IP65/IP67 |
德驰式DT 插头式DIN 安普式AMP |
φ19 |
| GP37-S-M |
1.5 |
3.3 |
40 |
2.2 |
4.8 |
≤4 |
≤3 |
≤1 |
21 |
-20~+70 |
IP67 |
德驰式DT |
φ19 |
| GP37-S-T |
1.2 0.6 |
4.5 18 |
28 |
3 |
4 |
≤5 |
≤5 |
≤5 |
21 |
-20~+70 |
IP67 |
德驰式DT |
φ19 |
