通过了ISO9001质量管理体系认证和CE产品安全认证,I类及II类防爆产品认证,并拥有多项科技成果
拥有高精度CNC数控机群、全自动绕线机、机器人铜焊机、PLC控制的自动BMC塑料封装机、电磁铁静动态特性智能测试系统、磁芯管耐油压试验台、磁芯管脉冲疲劳试验台等各种现代化的加工制造设备和检测仪器
本系列产品是本安型液压阀用电磁铁Ex ib Ⅰ Mb,限制电磁铁可能产生点燃爆炸性混合物的电弧、火花或高温的能量,从而使电磁铁在正常运行或认可的过载或故障情况下均不能点燃周围爆炸混合物。
该电磁铁低功率采用低的工作电压和小的工作电流,以保证在正常及故障时所产生的火花能量不足以点燃爆炸性混合物。主要用于煤矿液压支架电控系统中。
| 型号 | 额定电压(V) | 常态电阻(Ω) | 额定吸力(N) | 全行程(mm) | 耐温等级 | 外壳防护等级 |
|---|---|---|---|---|---|---|
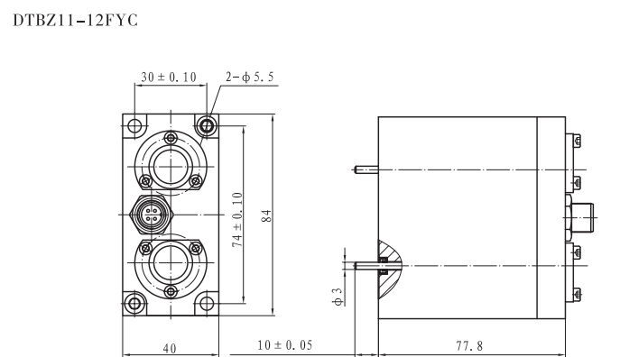
| DTBZ11-12FYC |
12 |
105 |
10 |
2.3 |
H |
IP65 |
| DTBZ11-10FYC |
12 |
105 |
10 |
2.3 |
H |
IP65 |
| DTBZ11-10FYC(Z) |
12 |
105 |
10 |
2.2 |
H |
IP67 |
| 6085 |
12 |
53 |
70 |
4 |
H |
IP65 |
