通过了ISO9001质量管理体系认证和CE产品安全认证,I类及II类防爆产品认证,并拥有多项科技成果
拥有高精度CNC数控机群、全自动绕线机、机器人铜焊机、PLC控制的自动BMC塑料封装机、电磁铁静动态特性智能测试系统、磁芯管耐油压试验台、磁芯管脉冲疲劳试验台等各种现代化的加工制造设备和检测仪器
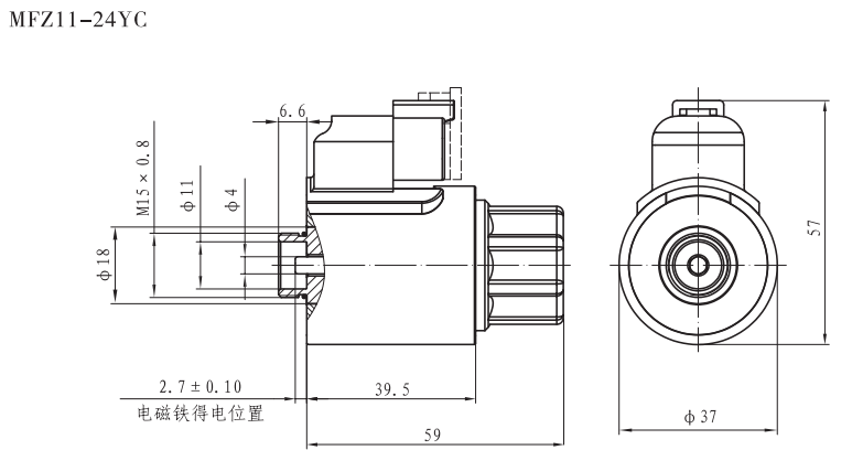
本电磁铁作为液压电磁换向阀、多路阀的动力元件,广泛应用于农用机械、工程机械,性能可靠。
| 型号 | 额定电压(V) | 额定吸力(N) | 额定行程(mm) | 全行程(mm) | 消耗功率(W) | 承受静态油压(MPa) | 操作频率(T/h) | 线圈内孔直径(mm) |
|---|---|---|---|---|---|---|---|---|
| MFZ11-24YC |
24/28 |
≥30 |
2.3 |
3 |
≤18 |
15 |
≤12000 |
φ18 |
| MFZ11-24YC(X) |
24/28 |
≥30 |
2.3 |
3 |
≤18 |
15 |
≤12000 |
φ18 |
