通过了ISO9001质量管理体系认证和CE产品安全认证,I类及II类防爆产品认证,并拥有多项科技成果
拥有高精度CNC数控机群、全自动绕线机、机器人铜焊机、PLC控制的自动BMC塑料封装机、电磁铁静动态特性智能测试系统、磁芯管耐油压试验台、磁芯管脉冲疲劳试验台等各种现代化的加工制造设备和检测仪器
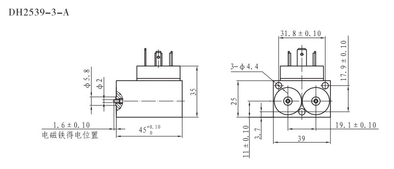
本系列产品是双头比例电磁铁,主要用于负载敏感比例多路阀,配套于工程机械车辆,实现液压系统执行机构在额定范围内无级调速和远距离控制。
| 型号 | 额定电流(A) | 常态电阻(Ω) | 额定吸力(N) | 额定行程(mm) | 全行程(mm) | 力滞环(%) | 电流滞环(%) | 重复精度(%) | 承受静态油压(MPa) | 外壳防护等级 | 耐热等级 |
|---|---|---|---|---|---|---|---|---|---|---|---|
| DH2539-3-A |
0.63 1.26 |
27.2 6.7 |
16 |
1.2 |
>1.8 |
≤3 |
≤3 |
≤1 |
5 |
IP65 |
H |
| DH3049-3-A(DT) |
0.63 1.26 |
27.2 6.7 |
22 |
1.2 |
>1.8 |
≤3 |
≤3 |
≤1 |
5 |
IP67 |
H |
| DH3049-3-A |
0.63 1.26 |
27.2 6.7 |
23 |
1.2 |
>1.8 |
≤3 |
≤3 |
≤1 |
5 |
IP65 |
H |
| DH3049-3-A(T) |
0.63 1.26 |
27.2 6.7 |
23 |
1.2 |
>1.8 |
≤3 |
≤3 |
≤1 |
5 |
IP65 |
H |
| DH3049-3-A(AMP) |
0.63 1.26 |
27.2 6.7 |
22 |
1.2 |
>1.8 |
≤3 |
≤3 |
≤1 |
5 |
IP67 |
H |
| DH3049-3-A(DT-4P) |
0.63 1.26 |
27.2 6.7 |
22 |
1.2 |
>1.8 |
≤3 |
≤3 |
≤1 |
5 |
IP67 |
H |
