通过了ISO9001质量管理体系认证和CE产品安全认证,I类及II类防爆产品认证,并拥有多项科技成果
拥有高精度CNC数控机群、全自动绕线机、机器人铜焊机、PLC控制的自动BMC塑料封装机、电磁铁静动态特性智能测试系统、磁芯管耐油压试验台、磁芯管脉冲疲劳试验台等各种现代化的加工制造设备和检测仪器
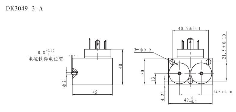
本产品是双头开关电磁铁,主要用于负载敏感多路阀,配套工程机械车辆,实现液压系统执行机构在额定范围内无级调速和远距离控制。
| 型号 | 额定电流(A) | 常态电阻(Ω) | 额定吸力(N) | 额定行程(mm) | 全行程(mm) | 力滞环(%) | 电流滞环(%) | 重复精度(%) | 承受静态油压(MPa) | 外壳防护等级 | 耐热等级 |
|---|---|---|---|---|---|---|---|---|---|---|---|
| DK3049-3-A |
0.68 1.36 |
34.8 8.7 |
40 |
0.8 |
>0.8 |
≤3 |
≤3 |
≤1 |
5 |
IP65 |
H |
| DK3049-3-A(T) |
0.68 1.36 |
34.8 8.7 |
40 |
0.8 |
>0.8 |
≤3 |
≤3 |
≤1 |
5 |
IP65 |
H |
