通过了ISO9001质量管理体系认证和CE产品安全认证,I类及II类防爆产品认证,并拥有多项科技成果
拥有高精度CNC数控机群、全自动绕线机、机器人铜焊机、PLC控制的自动BMC塑料封装机、电磁铁静动态特性智能测试系统、磁芯管耐油压试验台、磁芯管脉冲疲劳试验台等各种现代化的加工制造设备和检测仪器
该比例电磁铁在有效工作行程内,电磁力与线圈成比例线性关系,与位移无关。电磁铁输出力通过负载弹簧转换成位移,实现了电流-力-位移的线性转换。可实现液压系统执行机构在额定范围内无级调速及远距离控制。
| 型号 | 额定电流(A) | 常态电阻(Ω) | 额定吸力(N) | 额定行程(mm) | 全行程(mm) | 力滞环(%) | 电流滞环(%) | 重复精度(%) | 承受静态油压(Mpa) | 耐热等级 |
|---|---|---|---|---|---|---|---|---|---|---|
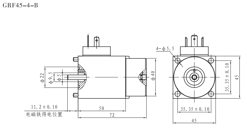
| GRF45-4-B |
0.8 |
19.5 |
90 |
3.2 |
6.5 |
≤4 |
≤3 |
≤1 |
21 |
H |
| GRF45-4-A |
3.2 |
2.2 |
90 |
3.2 |
6.5 |
≤4 |
≤3 |
≤1 |
21 |
H |
