通过了ISO9001质量管理体系认证和CE产品安全认证,I类及II类防爆产品认证,并拥有多项科技成果
拥有高精度CNC数控机群、全自动绕线机、机器人铜焊机、PLC控制的自动BMC塑料封装机、电磁铁静动态特性智能测试系统、磁芯管耐油压试验台、磁芯管脉冲疲劳试验台等各种现代化的加工制造设备和检测仪器
本系列产品配套比例放大器用于控制六通径螺纹比例阀。通过输入电流在额定范围内的无级调节,可实现液压系统执行机构在额定范围内的无级调速和远距离控制。
| 型号 | 额定电流(A) | 常态电阻(Ω) | 额定吸力(N) | 额定行程(mm) | 全行程(mm) | 力滞环(%) | 电流滞环(%) | 重复精度(%) | 承受静态油压(MPa) | 工作油温(℃) | 外壳防护等级 | 电源连接方式 | 适配阀的型号 | 适配放大板的型号 |
|---|---|---|---|---|---|---|---|---|---|---|---|---|---|---|
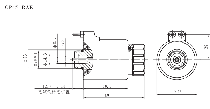
| GP45-RAE |
2.5 |
2 |
60 |
2.8 |
≥6 |
≤4 |
≤3 |
≤1 |
21 |
-20~+70 |
IP65 |
接线盒式TERMINAL BOX |
力士乐型/华德型4WRA6...-2X/G24阀 |
内置放大板 |
| GP45-RA |
2.5 |
2 |
60 |
2.8 |
≥6 |
≤4 |
≤3 |
≤1 |
21 |
-20~+70 |
IP65 |
插头式DIN |
力士乐型/华德型4WRA6...-2X/G24阀 |
外置VT-VSPA2-1-1X |
| GP45-TR |
1.25 |
19.5 |
70 |
2.8 |
≥6 |
≤5 |
≤4 |
≤1 |
21 |
-20~+70 |
IP67 |
安普式AMP |
力士乐型/华德型4WRA6...-2X/G24阀 |
内置放大板 |
| GP45-S-A |
1.8 |
3.6 |
60 |
2.8 |
≥5.7 |
≤5 |
≤4 |
≤1 |
21 |
-20~+70 |
IP67 |
德驰式DT |
- |
- |
