通过了ISO9001质量管理体系认证和CE产品安全认证,I类及II类防爆产品认证,并拥有多项科技成果
拥有高精度CNC数控机群、全自动绕线机、机器人铜焊机、PLC控制的自动BMC塑料封装机、电磁铁静动态特性智能测试系统、磁芯管耐油压试验台、磁芯管脉冲疲劳试验台等各种现代化的加工制造设备和检测仪器
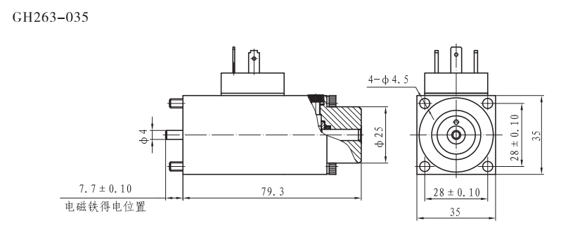
该系列产品用于比例变量泵和油马达的控制,通过改变比例阀芯位置,可实现对比例变量泵的输出流量或油马达转矩和转速的无级调节和远程控制。
| 型号 | 额定电流(A) | 常态电阻(Ω) | 额定吸力(N) | 额定行程(mm) | 全行程(mm) | 力滞环(%) | 电流滞环(%) | 重复精度(%) | 承受静态油压(MPa) | 耐热等级 |
|---|---|---|---|---|---|---|---|---|---|---|
| GH263-035 |
0.68 |
24.6 |
50 |
2 |
2.5 |
≤4 |
≤3 |
≤1 |
21 |
H |
| GH263-045 |
0.8 |
19.5 |
75 |
3 |
6 |
≤4 |
≤3 |
≤1 |
21 |
H |
| GH263-060 |
1.11 |
16.7 |
145 |
4 |
8 |
≤4 |
≤3 |
≤1 |
21 |
H |
